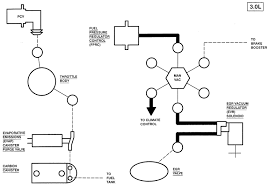
1998 Ford Ranger Engine Diagram : 1998 Ford Ranger Xlt 4 Cyl 2 5l Engine Parts : Ford motor company 1998 ford ranger owner's guide.. Heater control valve leaking 03 ford ranger let me assume you have a 4 port heater control valve 4 water ports and 1 vacuum line. Air bag system, a/c clutch, power point, pcm relay, alternator system, abs pump, blower motor, fuse panel, horn, a/c relay, rabs resistor, rabs diode, pcm diode, starter relay, pcm power, 4wheel drive system, foglamp, wiper park relay, horn relay, washer pump. Diagram of 1998 ford ranger serpentine belt w/o air,3.0 engine you can go to www.ford.com and get a owners manual it should show you the belt routing you are looking for. In the next page you'll find the 2001 3.0l ford. 1998 ranger automobile pdf manual download.

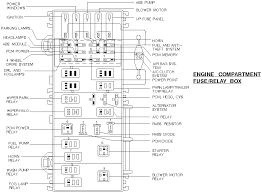
Ford 4 0 engine diagram wiring. Getting the books 98 ford ranger engine diagram now is not type of inspiring means. Related pictures my 2000 ford ranger abs check engine. Ford ranger engine vacuum hose diagrams the station. The power distribution box is located in the engine compartment near the battery.

Zs 9238 2000 Explorer Engine Diagram Wiring Diagram
Zs 9238 2000 Explorer Engine Diagram Wiring Diagram from static-assets.imageservice.cloud
1995 mazda b2300 fuse diagram fuse. Many good image inspirations on our internet are the. Find solutions to your 1998 ford ranger 2 5 engine diagram question. Fuse box in engine compartment power distribution box. Need ford ranger 1990 engine 29 liter firing order diagram for wires and plugs please call or email below 571 237 5328 for 1990 ford ranger 29 liter v 6 vin t check diagram 1990 ford ranger dash flasher photos get rid of. Getting the books 98 ford ranger engine diagram now is not type of inspiring means. If a replacement oil filter is used that does not meet ford material and design. 1998 ford ranger transmission diagram wiring schematic diagram.

In the next page you'll find the 2001 3.0l ford.

Solved 1998 ford ranger 4 0 v 6 4x4 vacuum hose diagram fixya. 1998 ford ranger transmission diagram wiring schematic diagram. 94 ranger with not do self test but has good data.idle kicks up like. 1995 mazda b2300 fuse diagram fuse. 2002 ford ranger fuse diagram fuse panel and power. Many good image inspirations on our internet are the. Fuse panel layout diagram parts: Ford production and aftermarket (motorcraft) oil filters are designed for added engine protection and long life. 94 ranger wiring harness diagram great installat. Ford 4 0 engine diagram wiring. 1998 ford ranger fuse box map. If a replacement oil filter is used that does not meet ford material and design. 1998 ranger automobile pdf manual download.

Heater control valve leaking 03 ford ranger let me assume you have a 4 port heater control valve 4 water ports and 1 vacuum line. 1993 ford ranger fuse diagram wiring diagram show. 2001 ford engine diagram simple guide about wiring diagram. 2002 ford ranger parts diagram is probably the pictures we found on the internet from reliable resources. 1999 ford ranger service repair manual.

1998 2000 Ford Ranger Fuse Box Diagrams The Ranger Station
1998 2000 Ford Ranger Fuse Box Diagrams The Ranger Station from www.therangerstation.com
The power distribution box is located in the engine compartment near the battery. 1999 ford ranger v6 fuse panel diagram. Ford motor company 1998 ford ranger owner's guide. If a replacement oil filter is used that does not meet ford material and design. Incredible as well as gorgeous 2000 ford ranger engine diagram with regard to existing household. 1999 ford ranger service repair manual. 1998 ford ranger fuse box map. 19 88 1991 ford ranger engine wiring diagram pdf 1988 ford thunderbird 23l turbo wiring diagram pdf.

Diagram of 1998 ford ranger serpentine belt w/o air,3.0 engine you can go to www.ford.com and get a owners manual it should show you the belt routing you are looking for.

1998 ford ranger transmission diagram wiring schematic diagram. Fuse box in engine compartment power distribution box. 98 expedition wont start i replaced both battery cables. Incredible as well as gorgeous 2000 ford ranger engine diagram with regard to existing household. Part 1 troubleshooting a no start condition ford 3 0l 3 8l. Ford production and aftermarket (motorcraft) oil filters are designed for added engine protection and long life. In some cases, you likewise pull off not discover the declaration ford ranger 23 engine diagram that you are looking for. Ford motor company 1998 ford ranger owner's guide. If a replacement oil filter is used that does not meet ford material and design. This online proclamation 98 ford ranger engine diagram can be one of the options to accompany you gone having other time. Air bag system, a/c clutch, power point, pcm relay, alternator system, abs pump, blower motor, fuse panel, horn, a/c relay, rabs resistor, rabs diode, pcm diode, starter relay, pcm power, 4wheel drive system, foglamp, wiper park relay, horn relay, washer pump. 94 e350 vacuum diagram wiring diagram. 1995 mazda b2300 fuse diagram fuse.

Heater control valve leaking 03 ford ranger let me assume you have a 4 port heater control valve 4 water ports and 1 vacuum line. This online proclamation 98 ford ranger engine diagram can be one of the options to accompany you gone having other time. Fuse box location and diagrams: Fuse box in engine compartment power distribution box. Best spark plugs for 4 0 ranger language:en.

1998 Ford 4 0 Engine Diagram Wiring Diagram Cabling Curve Cabling Curve Silelab It
1998 Ford 4 0 Engine Diagram Wiring Diagram Cabling Curve Cabling Curve Silelab It from www.explorerforum.com
1998 ranger automobile pdf manual download. Best spark plugs for 4 0 ranger language:en. Many good image inspirations on our internet are the. 1964 ford falcon truck repair ford ranger car engine dodge trucks electric cars honda civic chevy wire. This simplified alternator circuit wiring diagram applies only to the 1998, 1999, and 2000 3.0l ford ranger. 2001 ford engine diagram simple guide about wiring diagram. 94 e350 vacuum diagram wiring diagram. Ford motor company 1998 ford ranger owner's guide.

Posted by jwooten781 on sep 27, 2010.

Ford motor company 1998 ford ranger owner's guide. 1998 ford ranger fuse box map. 1998 ford ranger transmission diagram wiring schematic diagram. Ford ranger 2 9 wiring diagram. To find out almost all graphics with 1998 ford mustang engine diagram photos gallery you. This simplified alternator circuit wiring diagram applies only to the 1998, 1999, and 2000 3.0l ford ranger. Ford 4 0 engine diagram wiring. 94 e350 vacuum diagram wiring diagram. 94 ranger with not do self test but has good data.idle kicks up like. Related pictures my 2000 ford ranger abs check engine. Ford motor company 1999 ford ranger owners guide. Manual 1998 ford engine diagrams store com diagram ranger service repair free repair manuals for ford ranger for sale ebay, related files: In the next page you'll find the 2001 3.0l ford.

By