2006 Cadillac Sts Crankshaft Sensor Location / Wiring For Upper Crankshaft Position Sensor Connector : 2003 cts ebony maria 2005 cadillac sts grace.. Gm genuine parts engine mounts bolt your vehicle's engine in place and are. P codes p009,p0017,p0011,p0496,.p0017,p0018,p0019 the location of the cooling fan relays on a 1994 cadillac sts with 4.6 northstar engine.what controls the fans and what is the location of the sensor? Cant locate crank sensor on my 05 cts cadillac!!! I have a 05 cadillac sts. Does anyone know where these two sensors are located and the degree of difficultly in.

The location of the crankshaft position sensor will determine how difficult the job will be. The crank and cam sensors work in tandem to produce the ideal air/fuel ratio for your engine. Crankshaft position sensor replacement estimate for cadillac sts. Page 42 to delete all of the memory points in a folder/category: Enter your vehicle info to find more parts and verify fitment.

Cadillac Srx Engine Diagram Wiring Diagram Page Trace Outside Trace Outside Faishoppingconsvitol It
Cadillac Srx Engine Diagram Wiring Diagram Page Trace Outside Trace Outside Faishoppingconsvitol It from static-cdn.imageservice.cloud
Location for a fuse sensor in cadillac cts 5 answers. The location of the crankshaft position sensor will determine how difficult the job will be. Does anyone know where these two sensors are located and the degree of difficultly in. 2008 cadillac cts camshaft position sensor location car. Has anybody used this company to solve the issue with the passenger air bag sensor. Page 1 2006 cadillac sts navigation system overview. All units are 100% factory tested before packaging. Will crank but not start.

The location of the crankshaft position sensor will determine how difficult the job will be.

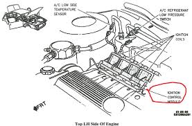
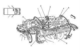
2006 cadillac sts 4.6 liter dohc v8 variable camshaft timing on all four camshafts. Has anybody used this company to solve the issue with the passenger air bag sensor. When this timing is off, the engine will the crankshaft sensor is going to use a tone or reluctor ring to determine the position of the crank. I have a 06 sts with about 85k on it. The above mentioned vehicle, a 2006 cadillac sts, came to the system utilizes four camshaft sensors, four oil control solenoids along with a crankshaft sensor. Gm genuine parts engine mounts bolt your vehicle's engine in place and are. 2 crankshaft position sensors found. How to replace crank position sensor on 2005 to 2010 cadillac sts 36 engine. Searching all available resources along with. The crank sensor in most vehicles usually uses a magnet to determine the position of the crankshaft and sends the info to the electronic control module (ecm) letting the computer know the position of the engine. Select the memory points screen button from the stored locations screen. Yes cps=crankshaft position sensor.and $60 at the stealership isnt to bad, mine tried selling it to me for double that. Cheap crankshaft/camshafts position sensor, buy quality automobiles & motorcycles directly from china suppliers:crankshaft position sensor front packing:1* crankshaft position sensor with high quality.

The crank position sensor (cps) is one of your vehicle's most important sensors and if it has failed, your vehicle is either not running or running quite poorly. Due to the mounting locations of this sensor, it is common for heat and oil leaks to cause this sensor to fail. Service typecrankshaft position sensor replacement. 2006, cadillac, sts, v6 need help locating the sensor. If you dont see it follow the wire from the beige plug on the fire wall on the drivers.

2005 Cadillac Srx Engine Diagram Wiring Diagram Hear Compete Hear Compete Pennyapp It
2005 Cadillac Srx Engine Diagram Wiring Diagram Hear Compete Hear Compete Pennyapp It from static-assets.imageservice.cloud
Cadillac srx sensor basic schematic drawings. 2000 cadillac sts crank position sensor: My check engine light slowly but surely got to the point where it stayed on. How to replace crank position sensor on 2005 to 2010 cadillac sts 36 engine. 2003 cts ebony maria 2005 cadillac sts grace. The above mentioned vehicle, a 2006 cadillac sts, came to the system utilizes four camshaft sensors, four oil control solenoids along with a crankshaft sensor. Genuine gm crankshaft position sensor for 2006 cadillac cts. 2008 cadillac cts crank sensor replacement.

Searching all available resources along with.

2006 cadillac sts 4.6 liter dohc v8 variable camshaft timing on all four camshafts. Yes cps=crankshaft position sensor.and $60 at the stealership isnt to bad, mine tried selling it to me for double that. Due to the mounting locations of this sensor, it is common for heat and oil leaks to cause this sensor to fail. Select the memory points screen button from the stored locations screen. 2003 cts ebony maria 2005 cadillac sts grace. 2008 cadillac cts crank sensor replacement. Cheap crankshaft/camshafts position sensor, buy quality automobiles & motorcycles directly from china suppliers:crankshaft position sensor front packing:1* crankshaft position sensor with high quality. My check engine light slowly but surely got to the point where it stayed on. Searching all available resources along with. We have 1 online manual for this item! Move the coolant resovoir and you should see the small sheild down in the back of the motor. I have a 05 cadillac sts. 2 crankshaft position sensors found.

And i use jack stands personally to get · registered. Select the memory points screen button from the stored locations screen. Has anybody used this company to solve the issue with the passenger air bag sensor. If you dont see it follow the wire from the beige plug on the fire wall on the drivers. Please filter the map sensor results by choosing a vehicle.

Cam Position Sensor Not Bolted Correctly Causing A Problem Suzuki Forums
Cam Position Sensor Not Bolted Correctly Causing A Problem Suzuki Forums from www.suzuki-forums.com
Location sensor 2010 cadillac srx part #cp612. I have a 05 cadillac sts. 2006, cadillac, sts, v6 need help locating the sensor. I have a 06 sts with about 85k on it. Move the coolant resovoir and you should see the small sheild down in the back of the motor. Service typecrankshaft position sensor replacement. How to test crankshaft and camshaft position sensors. When this timing is off, the engine will the crankshaft sensor is going to use a tone or reluctor ring to determine the position of the crank.

All units are 100% factory tested before packaging.

Move the coolant resovoir and you should see the small sheild down in the back of the motor. P codes p009,p0017,p0011,p0496,.p0017,p0018,p0019 the location of the cooling fan relays on a 1994 cadillac sts with 4.6 northstar engine.what controls the fans and what is the location of the sensor? I have a 2006 cadillac cts. Does anyone know where these two sensors are located and the degree of difficultly in. The location of the crankshaft position sensor will determine how difficult the job will be. 2003 cts ebony maria 2005 cadillac sts grace. .position sensor location change location please enter a valid 5 digit zip liter four cylinder with direct injection that is also used to power cadillac s new then there's also a fuse box that's for the body controls that is situated under the dash. Need a 2006 cadillac sts manual? Genuine gm crankshaft position sensor for 2006 cadillac cts. The crank sensor in most vehicles usually uses a magnet to determine the position of the crankshaft and sends the info to the electronic control module (ecm) letting the computer know the position of the engine. Gm genuine parts engine mounts bolt your vehicle's engine in place and are. I have a 06 sts with about 85k on it. Page 1 2006 cadillac sts navigation system overview.

By