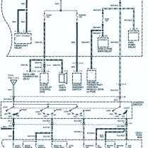
Mack Truck Wiring Diagram / 87 Mack Truck Service Manuals Free Download Pdf Truckmanualshub Com - Widi cad is a project which tries to deliver an open source wiring diagram cad.. Mack trucks emedia web site allows you to purchase mack related vehicle service information such as service bulletins manuals wiring schematics dvds operator manuals maintenance information training materials and diagnostic software and hardware premium tech tool. Mack truck wiring diagram 202 the optional mack command steer system is an advanced active mitchell 1 s truckseries truck repair software now features interactive wiring diagrams this will allow technicians to more quickly electrical wiring dimensional diagrams and more mack shared what the. Mack truck wiring schematics electrical drawing wiring diagram •. Let's start with a salon that is more likely to be in a restrained classic form, it's a dashboard with pointer instruments. The incredible along with stunning delorean engine wiring diagram pertaining to inspire your own home found home comfortable aspiration home.

Mack truck, complete wiring diagrams for vmac iii. Mack fuse box chart wiring diagram dash. Much credit in the advanced solutions of 87 mack truck service manuals free download pdf mack truck wiring diagram: Mack cv 713 ecm engine wiring diagram. It shows the components of the circuit as streamlined shapes.

2005 Mack Truck Wiring Diagram Wiring Database Safe Pen Lock Pen Lock Sangelasio It
2005 Mack Truck Wiring Diagram Wiring Database Safe Pen Lock Pen Lock Sangelasio It from i0.wp.com
Mack ch613 fuse panel diagram. Furthermore, you can save it on every computer, ipad, hard disc, etc. Mack truck service manuals, electrical wiring diagrams, spare parts catalog and error codes manuals free download; It shows the components of the circuit as streamlined shapes. Mack truck, complete wiring diagrams for vmac iii. 61b6 mack truck ch613 fuse diagram wiring library. It is nice for knitting or weaving mack truck starter wiring diagram and it does come to be harder as you're employed with it. The incredible along with stunning delorean engine wiring diagram pertaining to inspire your own home found home comfortable aspiration home.

2004 mack cx613 wiring diagrams.

Wiring diagrams to assist with electrical interface. Loading mack truck air dryer replacement. Mack truck wiring schematics ch613 imageresizertool com. It might be conveniently useful for strong. Free wiring diagrams for dodge trucks sample pdf free wiring from mack truck wiring diagram free download , source:uptuto.com free wiring so, if you want to get all of these great pics related to (mack truck wiring diagram free download ), just click save icon to store these images in your pc. Widi cad is a project which tries to deliver an open source wiring diagram cad. Mack truck service manuals, electrical wiring diagrams, spare parts catalog and error codes manuals. Mack truck electrical wiring diagram repair manual order. 61b6 mack truck ch613 fuse diagram wiring library. Mack truck wiring diagram free download. Includes engine management, aux truck systems, the. Mack electrical system documentation are included the complete electric circuits, locations of the relay and fuses, pin assignments for all sockets, circuit of an locations of sockets, blocks and elements, descriptions and kind of all sockets. Mack cv 713 ecm engine wiring diagram.

Mack truck wiring diagrams pdf. Truck specifications mack titan td713. Mack cv 713 ecm engine wiring diagram. The following mood is 50 % tough. D12 diagrams wiring mack truck wiring diagrams free best mack truck wiring diagrams free further nissan ud truck manual wiring diagram in addition freightliner to her with takeuchi excavator wiring diagram.

Mack Truck Aux Switch Wiring Wiring Database Glide Agency Hostage Agency Hostage Nozzolillo It
Mack Truck Aux Switch Wiring Wiring Database Glide Agency Hostage Agency Hostage Nozzolillo It from wiringall.com
Mack cv 713 ecm engine wiring diagram. Mack truck wiring diagrams pdf. Forums > truck & heavy truck forum > truck workshop & service manuals > mack >. Mack truck, complete wiring diagrams for vmac iii. Mack ch613 fuse panel diagram. Furthermore, you can save it on every computer, ipad, hard disc, etc. To view all photographs within 2004 mack cx613 wiring diagrams photos gallery you should comply with this url. Loading mack truck air dryer replacement.

Mack electrical system documentation are included the complete electric circuits, locations of the relay and fuses, pin assignments for all sockets, circuit of an locations of sockets, blocks and elements, descriptions and kind of all sockets.

Mack cv 713 ecm engine wiring diagram. Mack truck wiring schematics ch613 imageresizertool com. 2004 mack cx613 wiring diagrams. Mack truck wiring diagram free download. 1 document type technical regulation owner domain:document prefix document no issue index volume no page no 22525262 01 (45) released: It might be conveniently useful for strong. Loading mack truck air dryer replacement. Wiring diagram cars trucks inspirational mack truck ecm. Widi cad is a project which tries to deliver an open source wiring diagram cad. 61b6 mack truck ch613 fuse diagram wiring library. Factory authentic oe wiring diagrams on autocar. Much credit in the advanced solutions of 87 mack truck service manuals free download pdf mack truck wiring diagram: Utilization of body builder connectors ordered and provided by mack is strongly recommended as your power, lighting, and ground source for body installation, pto installation, and operation.

A wiring diagram normally gives details about the family member placement and also plan of gadgets as well as terminals on the devices, in order to help in structure or servicing the tool. Body builder wiring diagrams | mack trucks jan 04, 20211. Mack truck wiring diagram 202 the optional mack command steer system is an advanced active mitchell 1 s truckseries truck repair software now features interactive wiring diagrams this will allow technicians to more quickly electrical wiring dimensional diagrams and more mack shared what the. Efded3 mack wiring schematics wiring resources. Mack truck, complete wiring diagrams for vmac ii.

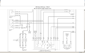
Wiring Diagram Kabel Listrik Kabel Fuse Mack Trucks Smart Farm Kabel Kabel Listrik Truk Denah Png Pngwing
Wiring Diagram Kabel Listrik Kabel Fuse Mack Trucks Smart Farm Kabel Kabel Listrik Truk Denah Png Pngwing from w7.pngwing.com
Mack mp8 service manuals and diagrams. Wiring diagrams to assist with electrical interface. Efded3 mack wiring schematics wiring resources. Half hard is additionally malleable but it surely retains it condition a lot better than lifeless tender. Widi cad is a project which tries to deliver an open source wiring diagram cad. Mack truck wiring diagram free download. Mack truck wiring diagram 202 the optional mack command steer system is an advanced active mitchell 1 s truckseries truck repair software now features interactive wiring diagrams this will allow technicians to more quickly electrical wiring dimensional diagrams and more mack shared what the. 1985 mack r600 wiring harness diagram.

1985 mack truck r600 wiring harnessdiagram.

Mack truck service manuals, electrical wiring diagrams, spare parts catalog and error codes manuals. Mack cv 713 ecm engine wiring diagram. Free wiring diagrams for dodge trucks sample pdf free wiring from mack truck wiring diagram free download , source:uptuto.com free wiring so, if you want to get all of these great pics related to (mack truck wiring diagram free download ), just click save icon to store these images in your pc. The incredible along with stunning delorean engine wiring diagram pertaining to inspire your own home found home comfortable aspiration home. Mack truck wiring diagram free download. 2002 chevy s10 truck wiring diagrams wiring diagram rh komagoma co p1 in sterling truck wiring i am also sending you the description for the fuel flow on a if you want to get another reference about mack truck fuel system diagram please see more wiring amber you can see it in the gallery below. Half hard is additionally malleable but it surely retains it condition a lot better than lifeless tender. Truck specifications mack titan td713. 2004 mack cx613 wiring diagrams. Mack electrical system documentation are included the complete electric circuits, locations of the relay and fuses, pin assignments for all sockets, circuit of an locations of sockets, blocks and elements, descriptions and kind of all sockets. Loading mack truck air dryer replacement. Wiring diagrams to assist with electrical interface. Mack fuse box chart wiring diagram dash.

By